Home
About
News
Documents
Assignments
Photo Gallery
Twiki Page
Course Page
Archival File Storage
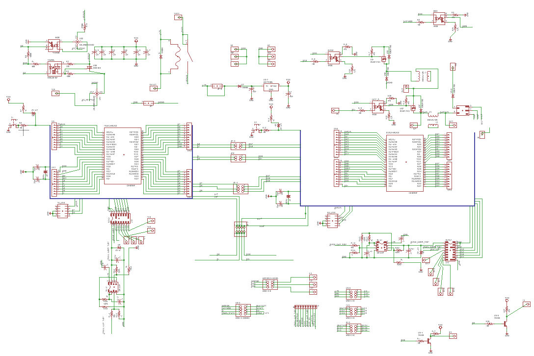
Charging Circuit Schematic
This page contains the schematic for the Charging Circuit. Click to enlarge.