Team HEV Design Documents

 

Final Design Report

Low Level Design

High Level Design

Microcontroller Pin List

Bill Of Materials

Microcontroller Code

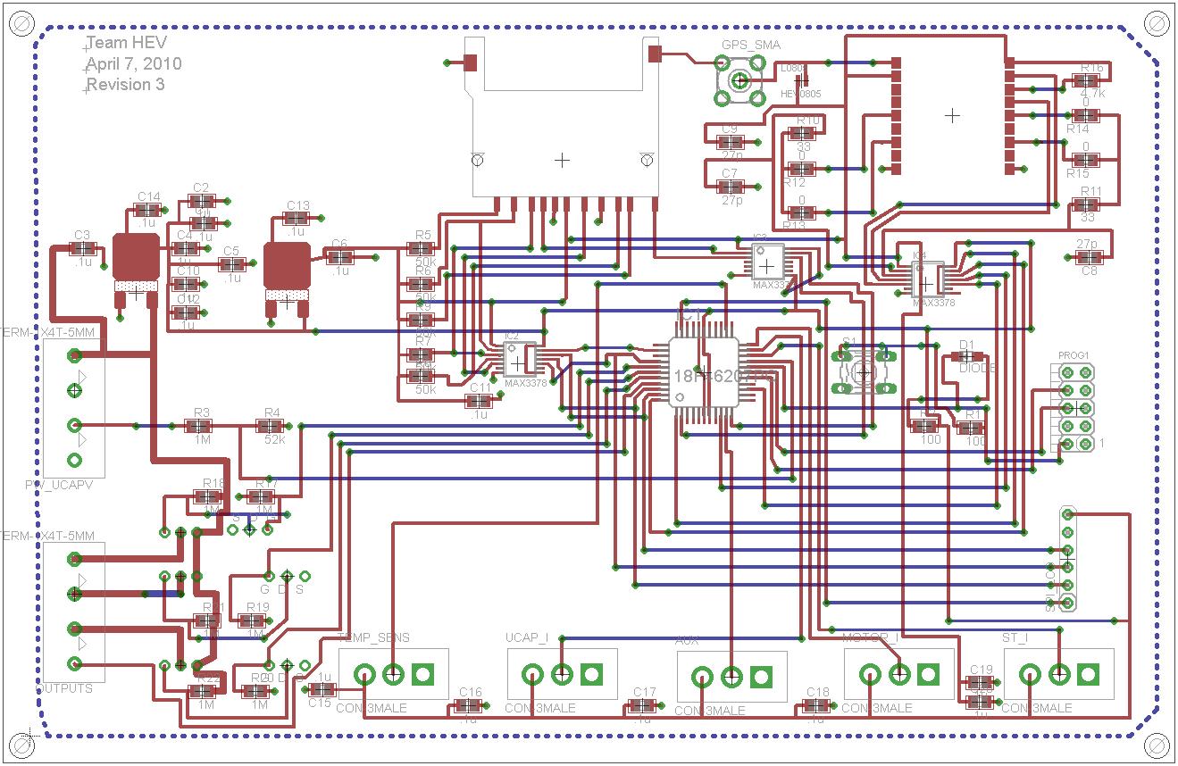
Microcontroller Board Layout

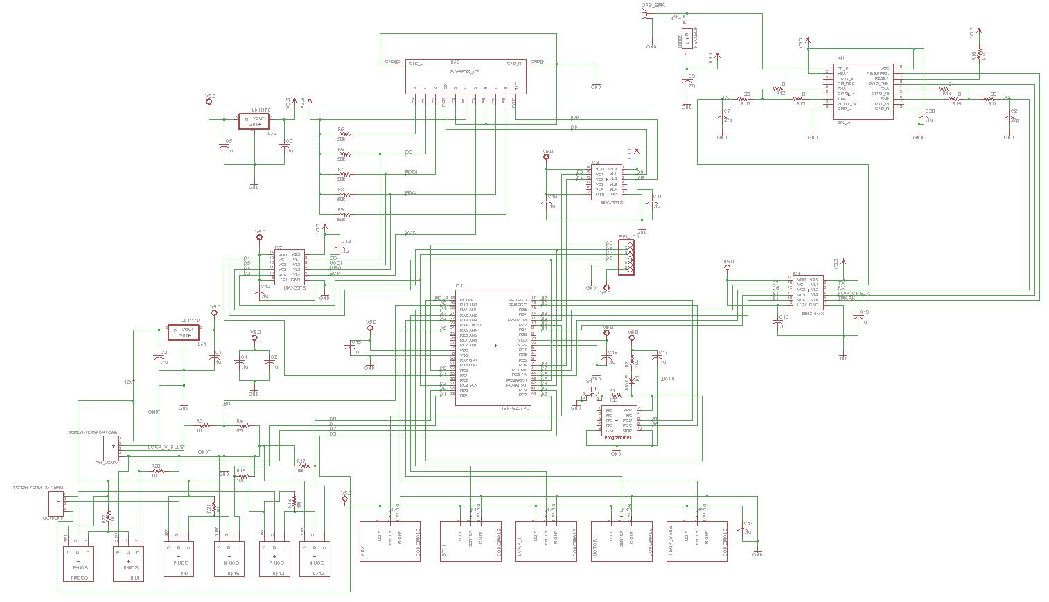
Microcontroller Schematic

Current Sensor Board Layout

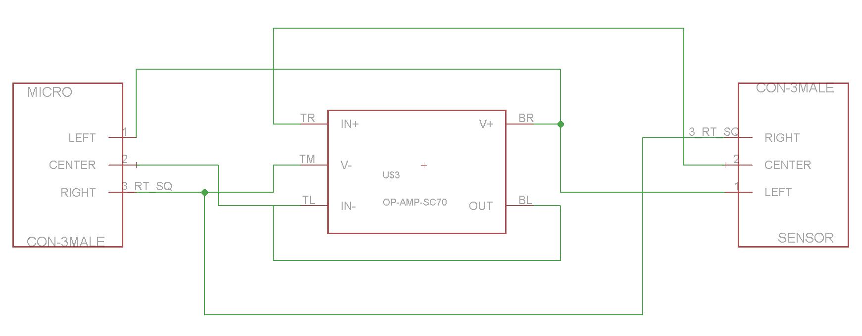
Current Sensor Board Schematic

 

Spec Sheets

GPS Functional Spec

Microcontroller (PIC18F4620) Spec Sheet

SD Card Spec Sheet

SPI LCD Spec Sheet